Каталог
Купить в лизинг Сравнить Избранное
Модель:
CNCT-250
Производитель: GSA
  • Описание
  • Комментарии
  • Отзывы

Компактный дизайн позволяет устанавливать на станки с длиной стола от 1 м. Простая установка на традиционные 3-осевые станки. С помощью 1-осевого контроллера GSA+, подключаемого к системе ЧПУ через М-коды для программируемого наклона стола, можно производить 5-осевую обработку без изменения конструкции станка и его электрооборудования.

По требованию заказчика стол может быть оснащен как гидравлическим, так и пневматическим зажимным устройством. Для повышения точности позиционирования может быть установлен фотоэлектрический датчик.


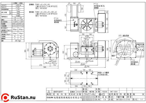
Технические характеристики CNCT-250

Параметр Ед. изм. Значение
Диаметр мм 250
Высота центра мм 225
Общая высота мм 355
Вес CNCT-250 нетто (без двигателя) кг 280
Центральное отверстие мм 70Н7
Ширина Т-пазов мм 12Н7
Ширина направляющего сухаря мм 18Н7

Поворот и наклон
Параметр Ед. изм. Поворот Наклон
Сервомотор Meldas НF-104T НF-154T
Сервомотор Fanuc a4i a8i
Сервомотор Siemens 1FK7060 1FK7063
Сервомотор Heidenhein QSY116C QSY116E
Передаточное число 1:90 1:180
Угол наклона град -110…110 -110…110
Минимальный угол град 0,001 0,001
Максимальные обороты об/мин 22.2 11.1
Усилие пневмозажима кг*м 50 50
Усилие гидрозажима кг*м 100 120
Точность позиционирования 15” 30”
Повторяемость с ±4”

Максимальные нагрузки
Параметр Схема Ед. изм. Значение
Максимальная вертикальная нагрузка Максимальная вертикальная нагрузка кг W = 60
Максимальная горизонтальная нагрузка Максимальная горизонтальная нагрузка кг W = 100
Максимальное радиальное усилие Максимальное радиальное усилие кг F = 1200
Максимальное радиальное усилие Максимальное радиальное усилие кг*м FxL = 100
Максимальное радиальное усилие Максимальное радиальное усилие кг*м FxL = 120
Максимальная рабочая инерция Максимальная рабочая инерция кг*см*сек2 8

Комментарии и вопросы:

Комментариев пока нет, но ваш может быть первым.
Разметить комментарий или вопрос

Отзывы о CNCT-250:

Отзывов пока нет, но ваш может быть первым.

Компания-изготовитель оставляет за собой право на изменение комплектации и места производства товара без уведомления!

Обращаем Ваше внимание на то, что информация на сайте не является публичной офертой!

Обозначение GSA используется исключительно для идентификации товаров соответствующего производителя. ООО "Компания "РуСтан" не является правообладателем товарного знака GSA и не аффилировано с правообладателем.

Вверх